电磁脉冲阀|淹没式电磁脉冲阀|淹没式电磁脉冲阀-DSF-80式脉冲电磁阀-快三导师带计划赚钱-快三代玩赚佣金-全天1分快三免费计划-分分快三稳赢计划平台-快三免费计划软件

手机站|首页| 网站地图
快三导师带计划赚钱-快三代玩赚佣金-全天1分快三免费计划-分分快三稳赢计划平台-快三免费计划软件
服务热线:
15028677483
热门关键词: 电磁脉冲阀|标准气缸|DMF-70-Z直角式电磁脉冲阀|DMF-T直通式电磁脉冲阀|4寸电磁脉冲阀|DSF-Y80淹没式电磁脉冲阀|DSF-80泰山大盖淹没电磁脉冲阀|
电磁脉冲阀-淹没式电磁脉冲阀-淹没式电磁脉冲阀

DSF-80式脉冲电磁阀

DSF型低压双膜片脉冲阀应用在各种脉冲袋式除尘器上多年,技术性能均达到设计要求,运行效果好,性能稳定,维护简便,使用寿命长
产地:河北省>泊头市
供应商:快三导师带计划赚钱-快三代玩赚佣金-全天1分快三免费计划-分分快三稳赢计划平台-快三免费计划软件
咨询热线:15028677483

DSF-80式脉冲电磁阀详细介绍

DSF淹没阀应用在各种脉冲袋式除尘器上多年,技术性能均达到设计要求,运行效果好,性能稳定,维护简便,使用寿命长。销售电话  15028677483
    该阀与贮气包连接有两种方式:
      A:螺纹连接式
      B:插管连接式

     
     技术指标:
      工作压力:0.3-0.6Mpa
      工作介质:清洁空气
      电压:DC24V/AC220V
      电流:800ma/60ma
      使用环境:温度-10℃-55℃
      空气相对温度不_过85%
      膜片寿命:100万次或2-3年
 
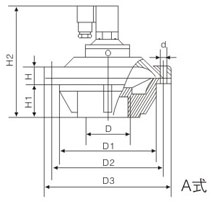
A式和B式尺寸表:

型号
D(A式)
D(B式)
D1
D2
D3
H
H1
H2
H3
d
DSF-40
G1-"-2
1"-2
120
160
180
24
53
190
81
8-φ9
DSF-50
G2"-2
1 1/2"-2
120
160
180
24
53
190
81
8-φ9
DSF-70
G2"-2
60
147
185
206
25
57
201
192
8-φ11
DSF-80
G3"-2
75
147
185
206
25
60
204
195
8-φ11
DSF-100
G4"-2
89
174
218
240
27
56
 
214
8-φ11

 
脉冲阀与贮气包链接示意图说明:
脉冲阀与气包法兰链接由O型密封圈密封。
DSF-40.50型为145×5.70型密封圈(GB1235-76)
DSF70.80型为165×57.0型密封圈(GB1235-76)
DSF-100型为190×5.70型密封圈(GB1235-76)
 
 
网站首页|快三导师带计划赚钱-快三代玩赚佣金-全天1分快三免费计划-分分快三稳赢计划平台-快三免费计划软件简介|产品目录|电磁脉冲阀|除尘资讯|采购指南|工程案例|公司业绩|服务承诺|联系方式|
公司名称:快三导师带计划赚钱-快三代玩赚佣金-全天1分快三免费计划-分分快三稳赢计划平台-快三免费计划软件 公司地址:河北省泊头市西环西路109号 电话:0317-8291813 传真:0317-8198561 
手机:15028677483  网址:http://www.digiarcz.com 
快三导师带计划赚钱-快三代玩赚佣金-全天1分快三免费计划-分分快三稳赢计划平台-快三免费计划软件 2011(C)版权所有 并对网站所有内容保留解释权 冀ICP备12022719号-5 

冀公网安备 13098102000325号

PowerBy:速贝·网搜宝 网站建设:中科四方 技术支持:速贝微博