QMF型淹没阀|QMF型电磁阀|脉冲电磁阀-QMFD-100型电磁脉冲阀-快三导师带计划赚钱-快三代玩赚佣金-全天1分快三免费计划-分分快三稳赢计划平台-快三免费计划软件
手机站
|
首页
|
网站地图
服务热线:
15028677483
网站首页
快三导师带计划赚钱-快三代玩赚佣金-全天1分快三免费计划-分分快三稳赢计划平台-快三免费计划软件简介
产品目录
电磁脉冲阀
除尘资讯
采购指南
工程案例
公司业绩
服务承诺
联系方式
热门关键词:
电磁脉冲阀
|
标准气缸
|
DMF-70-Z直角式电磁脉冲阀
|
DMF-T直通式电磁脉冲阀
|
4寸电磁脉冲阀
|
DSF-Y80淹没式电磁脉冲阀
|
DSF-80泰山大盖淹没电磁脉冲阀
|
当前位置:
首页>
产品
>
QMFD系列电磁脉冲阀
>
QMFD-100型电磁脉冲阀
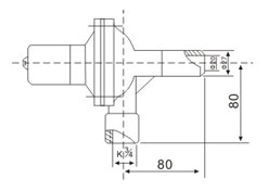
QMFD-100型电磁脉冲阀
QMF型淹没阀,QMF型电磁阀是由QMF-100型脉冲阀和KXD型电磁阀结台而成的一体脉冲电磁阀。 详询电话 : 15028677483(王凤杰)
产地:
河北省>泊头市
供应商:
快三导师带计划赚钱-快三代玩赚佣金-全天1分快三免费计划-分分快三稳赢计划平台-快三免费计划软件
咨询热线:15028677483
QMFD-100型电磁脉冲阀详细介绍
该阀是由QMF-100型脉冲阀和KXD型电磁阀结台而成的一体
脉冲电磁阀
。脉冲阀出口采用耐压胶管与喷吹管连接。电磁阀特点及技术参数与KXD型电磁阀相同。
工作压力:0.3—0.7MPa该阀主要用于Mc侧开门式Mc-I型脉冲袋式除尘器喷吹系统。
相关产品
QMFD-100型电磁脉冲阀
QMFD-100型电磁脉冲阀
QMF-20P-A型电磁脉冲阀
QMFD-100型电磁脉冲阀
电磁脉冲阀系列
DMF-T直通式电磁脉冲阀
DMF-Z系列直角式电磁脉冲阀
DSF淹没式电磁脉冲阀
DMF-Y系列电磁脉冲阀
QMFD系列电磁脉冲阀
DMF-ZM系列脉冲电磁阀
标准气缸、配套阀系列
电_板生产线
输送设备及配件系列
除尘布袋骨架系列
低电压控制系列
除尘器系列
技术文档 TECHNOLOGY
单机除尘器的适用范围
斗式提升机的应用范围
DMF-T直通式电磁脉冲阀使用与维护指南
标准气缸的结构与功能特性
DSF淹没阀选型与安装指南
新闻资讯 NEWS
DMF型电磁脉冲阀发货通知
通风蝶阀的作用特点以及适用范围
脉冲除尘器和布袋除尘器的区别
如何选择合适的布袋除尘器
除尘器的作用及工作原理
热门关键词 HOT
DMF-Y型淹没阀
DSF淹没阀
标准气缸
PZ型座式园盘给料机
联系方式 CONTACT
地址:泊头市西环西路109号
邮编:062150
电话:0317-8291813
手机:15028677483
传真:0317-8198561
销售部:王经理
网址:www.hyccfj.net
网站首页
|
快三导师带计划赚钱-快三代玩赚佣金-全天1分快三免费计划-分分快三稳赢计划平台-快三免费计划软件简介
|
产品目录
|
电磁脉冲阀
|
除尘资讯
|
采购指南
|
工程案例
|
公司业绩
|
服务承诺
|
联系方式
|
公司名称:快三导师带计划赚钱-快三代玩赚佣金-全天1分快三免费计划-分分快三稳赢计划平台-快三免费计划软件 公司地址:河北省泊头市西环西路109号 电话:0317-8291813 传真:0317-8198561 手机:15028677483 网址:
http://www.digiarcz.com
快三导师带计划赚钱-快三代玩赚佣金-全天1分快三免费计划-分分快三稳赢计划平台-快三免费计划软件 2011(C)版权所有 并对网站所有内容保留解释权
冀ICP备12022719号-5
冀公网安备 13098102000325号
PowerBy:速贝·网搜宝 网站建设:中科四方 技术支持:速贝微博